-
A car of mass 800 kg is initially moving at 25 m/s. Calculate the force needed to bring the car to rest over a distance...
(Solved)
A car of mass 800 kg is initially moving at 25 m/s. Calculate the force needed to bring the car to rest over a distance of 20 m.
Date posted:
March 26, 2019
.
Answers (1)
-
A ball rolls on a table in a straight line. A part from the transitional kinetic energy, state the other form of kinetic energy possessed...
(Solved)
A ball rolls on a table in a straight line. A part from the transitional kinetic energy, state the other form of kinetic energy possessed by the ball.
Date posted:
March 26, 2019
.
Answers (1)
-
A screw advances 1mm when the screw is turned through two revolutions. What is the pitch of the screw?
(Solved)
A screw advances 1mm when the screw is turned through two revolutions. What is the pitch of the screw?
Date posted:
March 26, 2019
.
Answers (1)
-
Suggest two energy changes that accompany the changing of a liquid in a vapour phase.
(Solved)
Suggest two energy changes that accompany the changing of a liquid in a vapour phase.
Date posted:
March 26, 2019
.
Answers (1)
-
A pump uses 1g of a mixture of petrol and alcohol in the ratio 4:1 by mass to raise 1000 kg of water from a...
(Solved)
A pump uses 1g of a mixture of petrol and alcohol in the ratio 4:1 by mass to raise 1000 kg of water from a well 200m deep.
i) How much energy is given by 1g of mixture?
ii) If the pump is 40% efficient, what mass of this mixture is needed to raise the water? (1g of alcohol = 7000J, of petrol= 48000J)
Date posted:
March 26, 2019
.
Answers (1)
-
An energy saving stove when burning steadily has an efficiency of 69%. The stove melts 0.03 kg lf ice 00C in 180 seconds.
(Solved)
An energy saving stove when burning steadily has an efficiency of 69%. The stove melts 0.03 kg lf ice 00C in 180 seconds.
Calculate: -
i) The power rating of the stove.
ii) The heat energy wasted by the stove.
Date posted:
March 26, 2019
.
Answers (1)
-
The graph below shows how the activity of a radiation nuclide varies with time.
(Solved)
The graph below shows how the activity of a radiation nuclide varies with time.

i) From the graph of activity against time above determine the half life of the nuclide.
ii) Using the half life obtained in e(i) how long would it take for the count rate of fall from 320 counts per minute to 80 counts per minute.
Date posted:
March 26, 2019
.
Answers (1)
-
Figure shows the three nuclear radiations labelled A, B and C under the influence of magnetic into the paper.
(Solved)
Figure shows the three nuclear radiations labelled A, B and C under the influence of magnetic into the paper.

i) State one property of the radiation labelled A
ii) State one use of the radiation B
Date posted:
March 26, 2019
.
Answers (1)
-
The figure shows positions of a ball bouncing on a floor. State the energy changes at C.
(Solved)
The figure shows positions of a ball bouncing on a floor. State the energy changes at C.

Date posted:
March 26, 2019
.
Answers (1)
-
The following equation shows part of a radioactive decay process.
(Solved)
The following equation shows part of a radioactive decay process.

i) Name the radiation X.
ii) Find the values of m and n.
Date posted:
March 26, 2019
.
Answers (1)
-
Figure below shows an electric circuit.
(Solved)
Figure below shows an electric circuit.

Explain what happens when only S2 is closed.
Date posted:
March 26, 2019
.
Answers (1)
-
In terms of energy band theory state the difference conductors and semiconductors.
(Solved)
In terms of energy band theory state the difference conductors and semiconductors.
Date posted:
March 26, 2019
.
Answers (1)
-
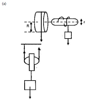
Figure below shows a block of mass 30.0 kg being pulled up a slope by force P at a constant speed. The frictional force on...
(Solved)
Figure below shows a block of mass 30.0 kg being pulled up a slope by force P at a constant speed. The frictional force on the block is 20.0N

i) On the same figure name and indicate other forces acting on the block.
ii) Determine the component of the weight acting on the trolley down the slope
iii) Determine the value of P.
Date posted:
March 26, 2019
.
Answers (1)
-
Figure below shows a set up used to observe photoelectric effect.
(Solved)
Figure below shows a set up used to observe photoelectric effect.

i) State two factors that determine whether photoelectric effect will occur or not when the radiation strikes the metal surface B.
ii) State one way in which the reading on the galvanometer can be increased.
Date posted:
March 26, 2019
.
Answers (1)
-
The fig. shows a 2 kg block attached to 0.5 kg mass by a light in-extensible string which passes over a pulley. The force of...
(Solved)
The fig. shows a 2 kg block attached to 0.5 kg mass by a light in-extensible string which passes over a pulley. The force of friction between the horizontal bench and block is 3N. The block is released from rest so that both masses move through a distance of 0.6m. Calculate the velocity of the string.

Date posted:
March 26, 2019
.
Answers (1)
-
Figure below shows a simplified illustration of an x-ray tube.
(Solved)
Figure below shows a simplified illustration of an x-ray tube.

state the functions of R1 and R2
Date posted:
March 26, 2019
.
Answers (1)
-
The diagram shows two identical strings A and B attached to a large mass M. String A is attached to the ceiling. State the reason...
(Solved)
The diagram shows two identical strings A and B attached to a large mass M. String A is attached to the ceiling. State the reason why string B cuts when its free and is suddenly pulled downward.

Date posted:
March 26, 2019
.
Answers (1)
-
In figure shown below. Two identical electroscopes A and B carry the same type of charges as shown. The two are then connected with a...
(Solved)
In figure shown below. Two identical electroscopes A and B carry the same type of charges as shown. The two are then connected with a copper wire.

State and explain the observations made.
Date posted:
March 26, 2019
.
Answers (1)
-
The diagram shows a block of mass 5 kg sliding down from rest on a plane incline at an angle of 300 to the horizontal....
(Solved)
The diagram shows a block of mass 5 kg sliding down from rest on a plane incline at an angle of 300 to the horizontal. A frictional force of 6N acts between the block and the plane.

i) Copy the diagram and show the forces acting on the block.
ii) Calculate the resultant force on the block.
iii) Calculate the time taken by the block to cover the distance of 25cm.
Date posted:
March 26, 2019
.
Answers (1)
-
Figure shows a glass lens in air and its two focal points F1 and F2.
(Solved)
Figure shows a glass lens in air and its two focal points F1 and F2.

Three rays of light pass through F1 to the lens, on the figure show the path followed by the three rays through the lens and into the air.
ii) State one possible cause of myopia.
iii) State the type of lens that is used to correct myopia.
Date posted:
March 26, 2019
.
Answers (1)