-
The diagram in the figure below shows a wheat stone bridge
(Solved)
The diagram in the figure below shows a wheat stone bridge

K, L, M and N are four resistors joined as shown. The value of resistance of resistor K is
unknown. I1, I2, I3 and I4 are the amount of current passing through K, M, L and N respectively.
It is also provided that L is a variable resistor.
(i) Explain how the set-up is used to determine the value of unknown resistance of K
(ii) State why wheat stone bridge is more accurate in measuring resistance than the voltmeter-ammeter
method
Date posted:
April 4, 2019
.
Answers (1)
-
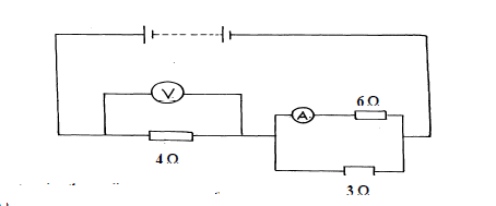
Study the circuit diagram shown below.
(Solved)
Study the circuit diagram shown below.

(i) Determine the reading of the voltmeter V.
(ii) Determine the reading of the ammeter A.
(iii) Explain the effect on the reading of the voltmeter if the 3ohms resistor is altered to be 6ohms
Date posted:
April 4, 2019
.
Answers (1)
-
In the configuration of resistors given below, determine the current through the 5ohms resistor.
(Solved)
In the configuration of resistors given below, determine the current through the 5ohms resistor.

Date posted:
April 4, 2019
.
Answers (1)
-
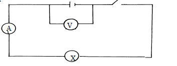
The ammeter in the circuit below has negligible internal resistance. The cell has internal
resistance of 0.5? and an electromotive force of 3.0V
(Solved)
The ammeter in the circuit below has negligible internal resistance. The cell has internal
resistance of 0.5ohms and an electromotive force of 3.0V

Determine the value of current the ammeter registers when switch S is closed
Date posted:
April 4, 2019
.
Answers (1)
-
In figure the voltmeter reads 2.1V when the switch is closed, the voltmeter reads 1.8v and
the ammeter 0.1 A
(Solved)
In figure the voltmeter reads 2.1V when the switch is closed, the voltmeter reads 1.8v and
the ammeter 0.1 A

Determine:
i) The e.m.f of the cell
ii) The internal resistance of the cell
iii) The resistance of the of the lamp
Date posted:
April 4, 2019
.
Answers (1)
-
A car starting from rest accelerated uniformly for 5minutes to reach 30m/s. it continues at this speed for the next 20minutes and then decelerates uniformly...
(Solved)
A car starting from rest accelerated uniformly for 5minutes to reach 30m/s. it continues at this speed for the next 20minutes and then decelerates uniformly to come to a stop in 10minutes. On the axes provided, sketch the graph of the velocity against time for the motion of the car.

Date posted:
April 4, 2019
.
Answers (1)
-
A footballer kicks a ball of mass 0.6kg initially at rest using a force of 720N. If the foot was in
contact with the ball 0.1seconds,...
(Solved)
A footballer kicks a ball of mass 0.6kg initially at rest using a force of 720N. If the foot was in
contact with the ball 0.1seconds, what was the take off speed of the ball?
Date posted:
April 4, 2019
.
Answers (1)
-
A boy is standing between two cliffs A and B but nearer to cliff A than B. He stands 160m
from wall BA and shouts once....
(Solved)
A boy is standing between two cliffs A and B but nearer to cliff A than B. He stands 160m
from wall BA and shouts once. He hears two echoes and discovers that the time between the
two echoes is 0.8 seconds. Determine how far the boy is standing from cliff B given that the
speed of sound in air is 340m/s
Date posted:
April 4, 2019
.
Answers (1)
-
A lady holds a large concave mirror of focal length 1.8m from her face. State two
characteristics of her image in the mirror
(Solved)
A lady holds a large concave mirror of focal length 1.8m from her face. State two
characteristics of her image in the mirror
Date posted:
April 4, 2019
.
Answers (1)
-
By use of a ray; diagram, show how a concave mirror may be a dentist mirror
(Solved)
By use of a ray; diagram, show how a concave mirror may be a dentist mirror
Date posted:
April 4, 2019
.
Answers (1)
-
The figure below shows an object placed in front of a plane mirror. Draw appropriate rays to
locate the image as seen by the observer.
(Solved)
The figure below shows an object placed in front of a plane mirror. Draw appropriate rays to
locate the image as seen by the observer.

Date posted:
April 4, 2019
.
Answers (1)
-
Figure shows an object O being viewed using two inclined mirrors M1 and M2. Complete
the diagram by sketching rays to show the position of the...
(Solved)
Figure shows an object O being viewed using two inclined mirrors M1 and M2. Complete the diagram by sketching rays to show the position of the image as seen by the eye -E.

Date posted:
April 4, 2019
.
Answers (1)
-
What is meant by the term spherical aberration?
(Solved)
What is meant by the term spherical aberration?
Date posted:
April 4, 2019
.
Answers (1)
-
Complete the ray diagram to show the position of the image
(Solved)
Complete the ray diagram to show the position of the image

Date posted:
April 4, 2019
.
Answers (1)
-
Complete the diagram below to show the shape of the wave fronts after passing the gap
(Solved)
Complete the diagram below to show the shape of the wave fronts after passing the gap

Date posted:
April 4, 2019
.
Answers (1)
-
What is the relationship between periodic time and the frequency of a progressive wave?
(Solved)
What is the relationship between periodic time and the frequency of a progressive wave?
Date posted:
April 4, 2019
.
Answers (1)
-
The figure below shows a magnetic material being magnetized
(Solved)
The figure below shows a magnetic material being magnetized

Complete the diagram showing the windings on the magnetic material so as to produce polarities
at A and B both south poles
Date posted:
April 4, 2019
.
Answers (1)
-
The figure below shows a diagram of a simple electric generator
(Solved)
The figure below shows a diagram of a simple electric generator

i) Label the parts P and Q
ii) Identify the polarities of the poles X and Y
iii) State two ways of increasing the voltage – output in this generator
Date posted:
April 4, 2019
.
Answers (1)
-
Arrange the following types of waves in order of increasing frequency:-Ultra-violet radiation,
visible light, radio waves and x-rays
(Solved)
Arrange the following types of waves in order of increasing frequency:-Ultra-violet radiation,
visible light, radio waves and x-rays
Date posted:
April 4, 2019
.
Answers (1)
-
The diagram below shows a ferromagnetic material being magnetized by the method shown
(Solved)
The diagram below shows a ferromagnetic material being magnetized by the method shown

On the axes given below, sketch a graph to show how the strength of the magnet being created
varies with the number of strokes

Date posted:
April 4, 2019
.
Answers (1)