-
Two springs of negligible weight of spring constant K1 = 24 N/m and K2 = 48 N/m respectively
are connected end to end and suspended from...
(Solved)
Two springs of negligible weight of spring constant K1 = 24 N/m and K2 = 48 N/m respectively
are connected end to end and suspended from a fixed point as shown below.

Determine;
I the total extension when a mass of 1.2 kg is hung from the lower end.
II the constant of the combination
Date posted:
May 27, 2019
.
Answers (1)
-
A ball is thrown horizontally at 8m/s from the tower. It reaches the ground after 4 seconds.Calculate the height of the tower.
(Solved)
A ball is thrown horizontally at 8m/s from the tower. It reaches the ground after 4 seconds.Calculate the height of the tower.
Date posted:
May 27, 2019
.
Answers (1)
-
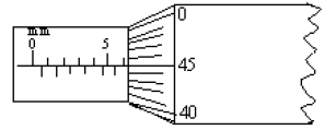
The figure below shows a micrometer screw gauge used to measure the diameter of a metal rod. When the rod is removed and the jaws...
(Solved)
The figure below shows a micrometer screw gauge used to measure the diameter of a metal rod. When the rod is removed and the jaws of the gauge are closed the reading is 0.14 mm. Determine the diameter of the rod.

Date posted:
May 27, 2019
.
Answers (1)
-
A transformer with 2000 turns in the primary circuit and 150 turns in the secondary circuit has its primary circuit connected to a 800V a.c...
(Solved)
A transformer with 2000 turns in the primary circuit and 150 turns in the secondary circuit has its primary circuit connected to a 800V a.c source. It is found that when a heater is connected to the secondary circuit, it produced heat at the rate of 1000W. Assuming 100% efficiency, determine the;
i) Voltage in the secondary circuit.
ii) Current in the primary circuit.
iii) Current in the secondary circuit.
iv) State the type of transformer represented above.
Date posted:
May 25, 2019
.
Answers (1)
-
An electric heater is found to have a resistance of 950 ohms when operating normally on a 240V mains. Find the power rating of the...
(Solved)
An electric heater is found to have a resistance of 950Ω when operating normally on a 240V mains. Find the power rating of the heater.
Date posted:
May 25, 2019
.
Answers (1)
-
Figure below shows a ray of light incident along the normal. The mirror is rotated at an angle of 15o in a clockwise direction without...
(Solved)
Figure below shows a ray of light incident along the normal. The mirror is rotated at an angle of 15o in a clockwise direction without changing the position of the incident ray,

Determine the angle between the reflected ray and the incident ray.
Date posted:
May 25, 2019
.
Answers (1)
-
A balloon weighs 10N and has a gas capacity of 2m3. The gas in the balloon has a density of 0.1kg/m3.
If density of air is...
(Solved)
A balloon weighs 10N and has a gas capacity of 2m3. The gas in the balloon has a density of 0.1kg/m3.
If density of air is 1.3kgm-3, calculate the resultant force of the balloon when it is floating in air.
Date posted:
May 25, 2019
.
Answers (1)
-
A piece of sealing wax, weight 3N in air and 0.22N when immersed in water, calculate the density of the wax.
(Solved)
A piece of sealing wax, weight 3N in air and 0.22N when immersed in water, calculate the density of the wax.
Date posted:
May 25, 2019
.
Answers (1)
-
A glass capillary contains enclosed air by a thread of mercury 15cm long when the tube is horizontal, the length of the enclosed air column...
(Solved)
A glass capillary contains enclosed air by a thread of mercury 15cm long when the tube is horizontal, the length of the enclosed air column is 24cm as shown.

(i) What is the length of the enclosed air column when the tube is vertical with the open end uppermost if the atmospheric pressure is 750mmHg?
(ii) What is the length of the enclosed air column when the tube is vertical with the closed end upper most if the atmospheric pressure is 750mmHg.
(iii) Explain why the mercury does not run out when the tube is vertical with the closed end uppermost.
Date posted:
May 25, 2019
.
Answers (1)
-
The figure below shows an inclined plane, a trolley of mass 60kg being pulled up the slope by a force of 200N parallel to the...
(Solved)
The figure below shows an inclined plane, a trolley of mass 60kg being pulled up the slope by a force of 200N parallel to the slope. The trolley is moved from X to Y.

Determine the
(i) Work output of the system.
(ii) Work input of the system.
(iii) The frictional force between the wheels of the trolley and the inclined plane.
(iv) The efficiency of the system.
(v) The velocity ratio of the system.
Date posted:
May 25, 2019
.
Answers (1)
-
When the flask is placed in iced water the level on water rose and then fell. Explain this observation.
(Solved)
When the flask is placed in iced water the level on water rose and then fell. Explain this observation.

Date posted:
May 25, 2019
.
Answers (1)
-
An aircraft 300m from the ground traveling horizontally at 400m/s releases a parcel. Calculate the horizontal distance covered by the parcel from the point of...
(Solved)
An aircraft 300m from the ground traveling horizontally at 400m/s releases a parcel. Calculate the horizontal distance covered by the parcel from the point of release.(Ignore air resistance).
Date posted:
May 25, 2019
.
Answers (1)
-
Sketch a velocity – time graph for a body initially moving at a velocity u before a force F is applied to it for 5...
(Solved)
Sketch a velocity – time graph for a body initially moving at a velocity u before a force F is applied to it for 5 seconds and there after the force F is withdrawn.
Date posted:
May 25, 2019
.
Answers (1)
-
A bus that carries goods in the under seats carrier is more stable than one that carries goods in the carrier at the top. Explain...
(Solved)
A bus that carries goods in the under seats carrier is more stable than one that carries goods in the carrier at the top. Explain why this is so.
Date posted:
May 25, 2019
.
Answers (1)
-
The figure below shows a wire wound on a metal rod. The windings just touch each other. If the total number of complete loops was...
(Solved)
The figure below shows a wire wound on a metal rod. The windings just touch each other. If the total number of complete loops was found to be 25 and the distance covered by the windings on the rod is 0.6cm, find the radius of the wire giving your answer in standard form.

Date posted:
May 25, 2019
.
Answers (1)
-
A sharp point of a pin is held over a positively charged electroscope. State and explain the observation made on the electroscope.
(Solved)
A sharp point of a pin is held over a positively charged electroscope. State and explain the observation made on the electroscope.
Date posted:
May 25, 2019
.
Answers (1)
-
State why parabolic reflectors are used in car headlights
(Solved)
State why parabolic reflectors are used in car headlights.
Date posted:
May 22, 2019
.
Answers (1)
-
The figure below shows the path of a ray of light through a glass prism. The speed of yellow
light in the prism is 1.88 ×...
(Solved)
The figure below shows the path of a ray of light through a glass prism. The speed of yellow
light in the prism is 1.88 × 108m/s.

(i) Determine the refractive index of the prism material for the light (speed of light in vacuum, c
= 3.0 × 108m/s.
(ii) Show on the figure, the critical angle, c, and determine its value.
(iii) Given that r = 21.2º, determine the angle θ.
Date posted:
May 22, 2019
.
Answers (1)
-
In an experiment to determine the internal resistance of a cell, the following circuit was used.
It was noted that when S is open, the voltmeter...
(Solved)
In an experiment to determine the internal resistance of a cell, the following circuit was used.

It was noted that when S is open, the voltmeter reads 1.5V and when S is closed the voltmeter reads 1.3V and ammeter reads 0.2A.
(i) What is the e.m.f of the cell.
(ii) Determine the lost voltage.
(iii)Find the value of R.
(iv) Find the internal resistance of the cell.
Date posted:
May 22, 2019
.
Answers (1)
-
A car accumulator is rated 40Al and is expected to supply a constant current for 120 minutes. Calculate the amount of current delivered.
(Solved)
A car accumulator is rated 40Al and is expected to supply a constant current for 120 minutes. Calculate the amount of current delivered.
Date posted:
May 22, 2019
.
Answers (1)