-
A compound microscope with an objective lens Lo of focal length 1.2cm and an eye piece lens Le of focal length 2.8cm. An object is...
(Solved)
A compound microscope with an objective lens Lo of focal length 1.2cm and an eye piece lens Le of focal length 2.8cm. An object is placed 1.8cm from the objective lens. The system of lenses produces a final image a distance of 12.0cm from Le. Determine the distance of separation of lens Lo and Le.
Date posted:
September 26, 2019
.
Answers (1)
-
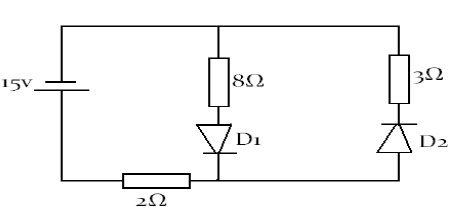
Study the diagram below and answer the following questions.
(Solved)
Study the diagram below and answer the following questions.

Calculate the current flowing through the 2Ω resistor.
Calculate the voltage drop across the 3Ω resistor.
Date posted:
September 26, 2019
.
Answers (1)
-
Sketch the circuit symbol of a semiconductor diode and name its parts.
(Solved)
Sketch the circuit symbol of a semiconductor diode and name its parts.
Date posted:
September 26, 2019
.
Answers (1)
-
A radioactive source, aluminum plate and a suitable detector were arranged as shown below.
(Solved)
A radioactive source, aluminum plate and a suitable detector were arranged as shown below.

Before the source was introduced, the detector registered a reading of 40 counts per second. Explain this observation.
Date posted:
September 26, 2019
.
Answers (1)
-
A 10µF capacitor is charged by a 100 V supply and then connected a cross an uncharged 20µF capacitor. Calculate the final p.d on each...
(Solved)
A 10μF capacitor is charged by a 100 V supply and then connected a cross an uncharged 20μF capacitor. Calculate the final p.d on each capacitor.
Date posted:
September 26, 2019
.
Answers (1)
-
The figure below shows a wire carrying current placed over a magnetic compass. On the wire, indicate the direction of electric current. The shaded side...
(Solved)
The figure below shows a wire carrying current placed over a magnetic compass. On the wire, indicate the direction of electric current. The shaded side is the North Pole.

Date posted:
September 26, 2019
.
Answers (1)
-
Two similar razor blades are placed one on a wooden block and the other on a soft iron block as shown in the figure below
(Solved)
Two similar razor blades are placed one on a wooden block and the other on a soft iron block as shown in the figure below

It was observed that the razor blade on the wooden block was attracted to the magnet while the other on the soft iron block was not. Explain.
Date posted:
September 26, 2019
.
Answers (1)
-
What property of cathode rays shows that they are particles and not waves?
(Solved)
What property of cathode rays shows that they are particles and not waves?
Date posted:
September 26, 2019
.
Answers (1)
-
The figure below shows an electric circuit with three diodes, three bulbs and a cell. State and explain what would be observed when the switch...
(Solved)
The figure below shows an electric circuit with three diodes, three bulbs and a cell. State and explain what would be observed when the switch is closed.

Date posted:
September 26, 2019
.
Answers (1)
-
A radio signal of 30MHz is received by an aerial whose length is 0.125 of its wavelength. If the speed of light is 3.0x108 m/s...
(Solved)
A radio signal of 30MHz is received by an aerial whose length is 0.125 of its wavelength. If the speed of light is 3.0x108 m/s determine the length of the aerial.
Date posted:
September 26, 2019
.
Answers (1)
-
The figure below shows a thin wire connected to a charge generator and placed close to a candle flame.
(Solved)
The figure below shows a thin wire connected to a charge generator and placed close to a candle flame.

Explain why the candle flame is deflected as shown.
Date posted:
September 26, 2019
.
Answers (1)
-
Explain why it is dangerous for a bus to carry standing passengers.
(Solved)
Explain why it is dangerous for a bus to carry standing passengers.
Date posted:
September 26, 2019
.
Answers (1)
-
The diagram below shows a wire loop with two threads tied across it. The loop is dipped into a soap solution such that the soap...
(Solved)
The diagram below shows a wire loop with two threads tied across it. The loop is dipped into a soap solution such that the soap film covers it as shown.

Region B is punctured such that the soap film in that section is broken. On the space alongside the diagram sketch the resulting shape of the wire loop. Give a reason for the shape.
Date posted:
September 26, 2019
.
Answers (1)
-
A pin is placed at the bottom of the beaker of depth 14.5cm. The beaker is then filled with Kerosene. By using another pin on...
(Solved)
A pin is placed at the bottom of the beaker of depth 14.5cm. The beaker is then filled with Kerosene. By using another pin on the side of the beaker and observing from the top, the distance of image of the pin in the beaker is found to be 4.5cm from the bottom.Determine the refractive index of kerosene.
Date posted:
September 12, 2019
.
Answers (1)
-
The figure below shows two polythene spheres P and Q suspended using nylon thread.
(Solved)
The figure below shows two polythene spheres P and Q suspended using nylon thread.

Draw a diagram to show how the two spheres would behave if only P is rubbed with a cloth.
Date posted:
September 12, 2019
.
Answers (1)
-
A diverging lens of focal length 10cm produces a virtual image half the size of the object. Find the distance between the object from the...
(Solved)
A diverging lens of focal length 10cm produces a virtual image half the size of the object. Find the distance between the object from the lens.
Date posted:
September 12, 2019
.
Answers (1)
-
In an experiment to determine the density of sand using a density bottle, the following measurements were recorded:
(Solved)
In an experiment to determine the density of sand using a density bottle, the following measurements were recorded:
Mass of empty density bottle = 43.2g
Mass of density bottle full of water = 66.4g
Mass of density bottle with some sand = 67.5g
Mass of density bottle with the sand filled up with water = 82.3g
Use the above data to determine the;
a) Mass of the water that completely filled the bottle.
b) Volume of water that completely filled with the bottle.
c) Volume of the density bottle;
d) Mass of sand
e) Mass of water that filled the space above the sand.
f) Volume of the sand
g) Density of the sand
Date posted:
September 12, 2019
.
Answers (1)
-
A solid weighs 18.5N on the surface of the moon. The force of gravity on the moon is 1.7N/kg. Determine the mass of the solid.
(Solved)
A solid weighs 18.5N on the surface of the moon. The force of gravity on the moon is 1.7N/kg. Determine the mass of the solid.
Date posted:
September 12, 2019
.
Answers (1)
-
The distance between an upright image and the object produced by a thin lens is 40cm. The image is 3 times as tall as the...
(Solved)
The distance between an upright image and the object produced by a thin lens is 40cm. The image is 3 times as tall as the object.
i) State the type of lens used.
ii) Determine the object distance.
iii) Determine the radius of curvature.
iv) State one application of the lens as used in question (b) above.
Date posted:
September 12, 2019
.
Answers (1)
-
What is meant by a step-up transformer?
(Solved)
What is meant by a step-up transformer?
Date posted:
September 12, 2019
.
Answers (1)