-
The diagram below shows a simple cell:-
(Solved)
The diagram below shows a simple cell:-

(i) Name z and solution y
(ii) Name and explain the defect that occurs at plate z
(iii) Give one method of preventing the defect that occurs at the copper plate
Date posted:
April 5, 2019
.
Answers (1)
-
The diagram below shows a wrongly wired three pin plug.
(Solved)
The diagram below shows a wrongly wired three pin plug.

(i) Indicate in the diagram above the correct colors for the wiring
(ii) State the use of device marked X
Date posted:
April 5, 2019
.
Answers (1)
-
State the advantage of transmitting power at Alternating voltage.
(Solved)
State the advantage of transmitting power at Alternating voltage.
Date posted:
April 5, 2019
.
Answers (1)
-
State the advantage of transmitting power at Very high voltage
(Solved)
State the advantage of transmitting power at Very high voltage
Date posted:
April 5, 2019
.
Answers (1)
-
The figure below represents part of an electric cooker coil.
(Solved)
The figure below represents part of an electric cooker coil.

i) State why the part labeled W is coiled
(ii) State the property of material X that makes it suitable for its use
Date posted:
April 5, 2019
.
Answers (1)
-
State two ways of decreasing capacitance
(Solved)
State two ways of decreasing capacitance
Date posted:
April 5, 2019
.
Answers (1)
-
The figure below shows the wiring in a modern mains appliance
(Solved)
The figure below shows the wiring in a modern mains appliance

Identify the wires Y and Z
Date posted:
April 5, 2019
.
Answers (1)
-
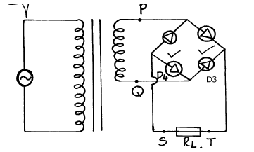
Study the circuit below:
(Solved)
Study the circuit below:

Determine the current flowing in the circuit
Date posted:
April 5, 2019
.
Answers (1)
-
The diagram figure below shows a photocell connected in a circuit:-
(Solved)
The diagram figure below shows a photocell connected in a circuit:-

(i) Complete the diagram by indicating the correct polarities in the gap for current to flow in
the circuit.
(ii) State and explain the effect of using light of different wave lengths on the amount of
current flowing in the circuit given that the distance of the source of light remains the same
Date posted:
April 5, 2019
.
Answers (1)
-
The diagram below represents a cathode ray oscilloscope (CRO)
(Solved)
The diagram below represents a cathode ray oscilloscope (CRO)

i) Name the parts labeled A and B
ii) What are the functions of C and D?
iii) State how electrons are produced
iv) Give a reason why the tube is evacuated.
Date posted:
April 5, 2019
.
Answers (1)
-
State one reason why a C.R.O is a more accurate voltmeter than a moving coil voltmeter
(Solved)
State one reason why a C.R.O is a more accurate voltmeter than a moving coil voltmeter
Date posted:
April 5, 2019
.
Answers (1)
-
The graph below shows the relation between the stopping potential, Vs and the frequency of radiation when a certain surface is illuminated with light of...
(Solved)
The graph below shows the relation between the stopping potential, Vs and the frequency of radiation when a certain surface is illuminated with light of different frequencies

From the graph determine:-
(i) The threshold frequency
(ii) The value of plank’s constant (e = 1.6 x 10-19C)
(iii) The work function of the material
Date posted:
April 5, 2019
.
Answers (1)
-
Explain why a magnetic field is used in the TV deflection system instead of an electric field
(Solved)
Explain why a magnetic field is used in the TV deflection system instead of an electric field
Date posted:
April 5, 2019
.
Answers (1)
-
Name one factor that determines the velocity of photoelectrons produced on a metal surface
when light shine on it
(Solved)
Name one factor that determines the velocity of photoelectrons produced on a metal surface
when light shine on it
Date posted:
April 5, 2019
.
Answers (1)
-
The variation of frequency f with the maximum kinetic energy Ek of the emitted electrons is shown on the graph below:
(Solved)
The variation of frequency f with the maximum kinetic energy Ek of the emitted electrons is shown on the graph below:

Find:
(i) the value of the Planck’s constant h
(ii) the work function, Wo
Date posted:
April 5, 2019
.
Answers (1)
-
The solid of mass 12kg, weighs 100N and 94N when fully immersed in water and liquid L respectively. Calculate:-
(Solved)
The solid of mass 12kg, weighs 100N and 94N when fully immersed in water and liquid L respectively. Calculate:-
(i) The density of the liquid in S.I units
(ii) The density of the solid
Date posted:
April 5, 2019
.
Answers (1)
-
Define thermionic emission.
(Solved)
Define thermionic emission.
Date posted:
April 5, 2019
.
Answers (1)
-
An electrical heater is rated 3.45KW. The heater is immersed in 2.4kg of water.Calculate the minimum time it takes for the temperature of the water...
(Solved)
An electrical heater is rated 3.45KW. The heater is immersed in 2.4kg of water.Calculate the minimum time it takes for the temperature of the water to rise from 23.0oC to 69.0oC. (Specific heat capacity of water = 4.2Jg/K)
Date posted:
April 5, 2019
.
Answers (1)
-
An electric kettle rated 3.0Kw, 240V is filled with water. If the water boiled after 8 minutes
of heating, determine the energy used in boiling the...
(Solved)
An electric kettle rated 3.0Kw, 240V is filled with water. If the water boiled after 8 minutes
of heating, determine the energy used in boiling the water.
Date posted:
April 5, 2019
.
Answers (1)
-
An electric kettle is rated 3KW, 250V. Determine the resistance of the coil
(Solved)
An electric kettle is rated 3KW, 250V. Determine the resistance of the coil
Date posted:
April 5, 2019
.
Answers (1)