-
The figure below shows a rectangular block of wood attached to a spring balance being pulled gently by a pulling force P at a steady...
(Solved)
The figure below shows a rectangular block of wood attached to a spring balance being pulled gently by a pulling force P at a steady velocity.

i. A graph of pulling force against time was drawn as shown below.

I. State the forces FA and FB.
II. From the graph, state what happens to the block of wood between point P and Q. (1mk)
ii. Given that the wooden box has a mass of 2.0kg and requires force of 5N to pull it with uniform speed along a horizontal surface, calculate the coefficient of friction between the surface and the block. Take (g = 10N/kg).
Date posted:
September 11, 2019
.
Answers (1)
-
A stretched spring with a load attached to one end and fixed at the other is released as shown below.
(Solved)
A stretched spring with a load attached to one end and fixed at the other is released as shown below.

Sketch on the same axis below the graph of potential energy and kinetic energy with time

Date posted:
September 11, 2019
.
Answers (1)
-
Figure below shows a wheel and axle of radius R and r respectively.
(Solved)
Figure below shows a wheel and axle of radius R and r respectively.

(a) Show that the velocity ratio of the system is given by 
(b) Given that r = 5cm, R = 20cm and an effort of 1200N is used to lift a load of 3000N. Determine:
i. The work done by effort to raise the load through a distance of 2m.
ii. The efficiency of the system.
iii. State two ways in which the efficiency in (ii) above can be increased.
Date posted:
September 11, 2019
.
Answers (1)
-
The figure below shows how water expands from lower temperatures.
(Solved)
The figure below shows how water expands from lower temperatures.

On the axes below sketch a graph of density against temperature.

Date posted:
September 11, 2019
.
Answers (1)
-
You are provided with a metallic ball, a metallic ring and a source of heat. Describe how you would show that solids expand.
(Solved)
You are provided with a metallic ball, a metallic ring and a source of heat. Describe how you would show that solids expand.
Date posted:
September 11, 2019
.
Answers (1)
-
An oil drop of radius 0.42mm when placed in water spreads out to form a circular patch of radius 42cm. using this information:
a. Estimate the...
(Solved)
An oil drop of radius 0.42mm when placed in water spreads out to form a circular patch of radius 42cm. using this information:
a. Estimate the size of the oil molecule.
b. State any one assumption you made in your calculation.
Date posted:
September 11, 2019
.
Answers (1)
-
The figure below shows a spring balance, its spring constant is 225N/m. The scale spreads a distance of 20cm.Determine the maximum weight that can be...
(Solved)
The figure below shows a spring balance, its spring constant is 225N/m. The scale spreads a distance of 20cm.

Determine the maximum weight that can be measured using the spring balance.
Date posted:
September 11, 2019
.
Answers (1)
-
A student blew air into a horizontal straw in the direction shown in the diagram below.State what was observed in the vertical straw.
(Solved)
A student blew air into a horizontal straw in the direction shown in the diagram below.State what was observed in the vertical straw.

Date posted:
September 11, 2019
.
Answers (1)
-
The figure below shows a uniform metal rod of mass 100g balanced over a pivot using a spring balance and a mass of 300g.Calculate the...
(Solved)
The figure below shows a uniform metal rod of mass 100g balanced over a pivot using a spring balance and a mass of 300g.Calculate the tension in the spring.

Date posted:
September 11, 2019
.
Answers (1)
-
A certain mass of hydrogen gas occupies a volume of 1.8m3 at pressure of 2.5 x 105 N/M2 and a temperature of 270C. Determine the...
(Solved)
A certain mass of hydrogen gas occupies a volume of 1.8m3 at pressure of 2.5 x 105 N/M2 and a temperature of 270C. Determine the volume when the temperature 00C at a pressure of 7.5 x 104 N/M2
Date posted:
September 11, 2019
.
Answers (1)
-
Body scanners and lasers are applications of physics in medicine. State one other application.
(Solved)
Body scanners and lasers are applications of physics in medicine. State one other application.
Date posted:
September 11, 2019
.
Answers (1)
-
The figure below shows a section of a micrometer screw gauge used by a student to measure the diameter of a wire. Determine the cross-sectional...
(Solved)
The figure below shows a section of a micrometer screw gauge used by a student to measure the diameter of a wire. Determine the cross-sectional area of the wire.

Date posted:
September 11, 2019
.
Answers (1)
-
In transmitting power why is it necessary to step up before transmission?. Explain.
(Solved)
In transmitting power why is it necessary to step up before transmission?. Explain.
Date posted:
September 11, 2019
.
Answers (1)
-
A transformer has 1000 turns in its secondary coil and 10 turns on its primary coil. An alternating current of 2.5A flows in the primary...
(Solved)
A transformer has 1000 turns in its secondary coil and 10 turns on its primary coil. An alternating current of 2.5A flows in the primary circuit when it is connected to a 12V a.c. supply.
(i) State the type of transformer.
(ii) Calculate the power input to the transformer.
(iii) Calculate the e.m.f. across the secondary coil.
(iv) Determine the maximum current that could flow in a circuit connected to the secondary coil if the transformer is 80% efficient. (Use the e.m.f in secondary as calculated in (iii) above).
Date posted:
September 11, 2019
.
Answers (1)
-
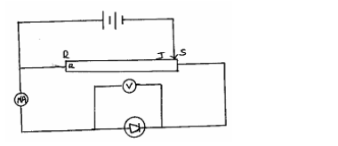
The figure below shows a circuit used to study behavior of diode.
(Solved)
The figure below shows a circuit used to study behavior of diode.

State the behaviour of voltmeter reading as Jockey J is moved from S to R. Explain.
Date posted:
September 11, 2019
.
Answers (1)
-
The figure below shows a circuit with a coil used to warm oil in a beaker.
(Solved)
The figure below shows a circuit with a coil used to warm oil in a beaker.

(i) Explain how heat is produced in the coil.
(ii) Given that the reading of the ammeter is 2.5A, determine the resistance of the coil.
(iii) How much heat is produced in the coil in a minute?
(iv) Give two changes that can be made in the set-up in order to produce more heat per minute.
Date posted:
September 11, 2019
.
Answers (1)
-
A policeman standing between two high walls fires a gun. He hears the first echo after 3 seconds and the next 2 seconds later. What...
(Solved)
A policeman standing between two high walls fires a gun. He hears the first echo after 3 seconds and the next 2 seconds later. What is the distance between the wall. (Take velocity of sound = 330m/s).
Date posted:
September 11, 2019
.
Answers (1)
-
A radioactive sample of half-life 260 days initially has 2.0 x 1020 radioactive atoms. Calculate the number of atoms that would decay after 780 days.
(Solved)
A radioactive sample of half-life 260 days initially has 2.0 x 1020 radioactive atoms. Calculate the number of atoms that would decay after 780 days.
Date posted:
September 11, 2019
.
Answers (1)
-
Two magnets A and B in the figure below were brought from a point high above a table towards a steel pin.State with a reason...
(Solved)
Two magnets A and B in the figure below were brought from a point high above a table towards a steel pin.

State with a reason which magnet will attract the pin at a bigger height above the table.
Date posted:
September 11, 2019
.
Answers (1)
-
In a cathode ray oscilloscope the time base is set at 25ms/mm. Given that crest to crest of a signal covers a length of 6cm,...
(Solved)
In a cathode ray oscilloscope the time base is set at 25ms/mm. Given that crest to crest of a signal covers a length of 6cm, determine the frequency of the signal.
Date posted:
September 11, 2019
.
Answers (1)