Production of emf in a coil by changing current in another coil near it.
sharon kalunda answered the question on September 11, 2019 at 11:39
-
The figure below shows the cross-section of a ripple tank full of water. a piece of cork floats
on the surface of water and a straight...
(Solved)
The figure below shows the cross-section of a ripple tank full of water. a piece of cork floats
on the surface of water and a straight edge vibrator placed at shallow end A to generate waves that travel to deep end B.

i. Name the type of wave generated on the water surface.
ii. The cork is observed to stay put despite passing water waves. Explain this observation.
iii. It was estimated that successive waves pass the cork every 0.25 seconds. If the speed of the waves is 0.28m/s, determine
the frequency and wave length of the waves at that point.
iv. Sketch the wavelength as viewed from a point above the ripple tank.
Date posted:
September 11, 2019
.
Answers (1)
-
The figure below shows two conducting wires A and B passing through a horizontal piece of cardboard.
(Solved)
The figure below shows two conducting wires A and B passing through a horizontal piece of cardboard.

(a) Sketch the resultant magnetic field patterns when the currents of the high magnitude are flowing in both wires as shown.
(b) What is the resulting effect of the field on the wires at the loose ends?
Date posted:
September 11, 2019
.
Answers (1)
-
Identify and explain two faults in the light circuit shown in the figure below.
(Solved)
Identify and explain two faults in the light circuit shown in the figure below.

Date posted:
September 11, 2019
.
Answers (1)
-
The figure below shows an arrangement of three components. If the total capacitance of the capacitors is 5µf, determine the value of X.
(Solved)
The figure below shows an arrangement of three components. If the total capacitance of the capacitors is 5μf, determine the value of X.

Date posted:
September 11, 2019
.
Answers (1)
-
The figure below shows the image formed when an object is placed in front of a concave lens.
(Solved)
The figure below shows the image formed when an object is placed in front of a concave lens.

Using suitable rays, locate the position of the object.
Date posted:
September 11, 2019
.
Answers (1)
-
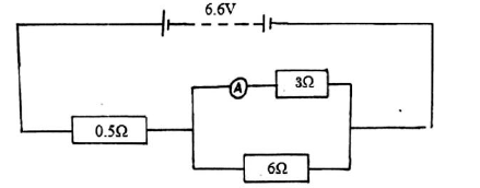
In the circuit shown below, the battery has an e.m.f. of 6.6V and internal resistance of 0.3 ohms.
(Solved)
In the circuit shown below, the battery has an e.m.f. of 6.6V and internal resistance of 0.3 ohms.

Determine the reading of the ammeter.
Date posted:
September 11, 2019
.
Answers (1)
-
The element of an electric hot plate has a resistance of 120 ohms. What is the energy dissipated when element is kept on for 10...
(Solved)
The element of an electric hot plate has a resistance of 120 ohms. What is the energy dissipated when element is kept on for 10 minutes on a 240V supply?
Date posted:
September 11, 2019
.
Answers (1)
-
The figure below shows a rectangular block of wood attached to a spring balance being pulled gently by a pulling force P at a steady...
(Solved)
The figure below shows a rectangular block of wood attached to a spring balance being pulled gently by a pulling force P at a steady velocity.

i. A graph of pulling force against time was drawn as shown below.

I. State the forces FA and FB.
II. From the graph, state what happens to the block of wood between point P and Q. (1mk)
ii. Given that the wooden box has a mass of 2.0kg and requires force of 5N to pull it with uniform speed along a horizontal surface, calculate the coefficient of friction between the surface and the block. Take (g = 10N/kg).
Date posted:
September 11, 2019
.
Answers (1)
-
A stretched spring with a load attached to one end and fixed at the other is released as shown below.
(Solved)
A stretched spring with a load attached to one end and fixed at the other is released as shown below.

Sketch on the same axis below the graph of potential energy and kinetic energy with time

Date posted:
September 11, 2019
.
Answers (1)
-
Figure below shows a wheel and axle of radius R and r respectively.
(Solved)
Figure below shows a wheel and axle of radius R and r respectively.

(a) Show that the velocity ratio of the system is given by 
(b) Given that r = 5cm, R = 20cm and an effort of 1200N is used to lift a load of 3000N. Determine:
i. The work done by effort to raise the load through a distance of 2m.
ii. The efficiency of the system.
iii. State two ways in which the efficiency in (ii) above can be increased.
Date posted:
September 11, 2019
.
Answers (1)
-
The figure below shows how water expands from lower temperatures.
(Solved)
The figure below shows how water expands from lower temperatures.

On the axes below sketch a graph of density against temperature.

Date posted:
September 11, 2019
.
Answers (1)
-
You are provided with a metallic ball, a metallic ring and a source of heat. Describe how you would show that solids expand.
(Solved)
You are provided with a metallic ball, a metallic ring and a source of heat. Describe how you would show that solids expand.
Date posted:
September 11, 2019
.
Answers (1)
-
An oil drop of radius 0.42mm when placed in water spreads out to form a circular patch of radius 42cm. using this information:
a. Estimate the...
(Solved)
An oil drop of radius 0.42mm when placed in water spreads out to form a circular patch of radius 42cm. using this information:
a. Estimate the size of the oil molecule.
b. State any one assumption you made in your calculation.
Date posted:
September 11, 2019
.
Answers (1)
-
The figure below shows a spring balance, its spring constant is 225N/m. The scale spreads a distance of 20cm.Determine the maximum weight that can be...
(Solved)
The figure below shows a spring balance, its spring constant is 225N/m. The scale spreads a distance of 20cm.

Determine the maximum weight that can be measured using the spring balance.
Date posted:
September 11, 2019
.
Answers (1)
-
A student blew air into a horizontal straw in the direction shown in the diagram below.State what was observed in the vertical straw.
(Solved)
A student blew air into a horizontal straw in the direction shown in the diagram below.State what was observed in the vertical straw.

Date posted:
September 11, 2019
.
Answers (1)
-
The figure below shows a uniform metal rod of mass 100g balanced over a pivot using a spring balance and a mass of 300g.Calculate the...
(Solved)
The figure below shows a uniform metal rod of mass 100g balanced over a pivot using a spring balance and a mass of 300g.Calculate the tension in the spring.

Date posted:
September 11, 2019
.
Answers (1)
-
A certain mass of hydrogen gas occupies a volume of 1.8m3 at pressure of 2.5 x 105 N/M2 and a temperature of 270C. Determine the...
(Solved)
A certain mass of hydrogen gas occupies a volume of 1.8m3 at pressure of 2.5 x 105 N/M2 and a temperature of 270C. Determine the volume when the temperature 00C at a pressure of 7.5 x 104 N/M2
Date posted:
September 11, 2019
.
Answers (1)
-
Body scanners and lasers are applications of physics in medicine. State one other application.
(Solved)
Body scanners and lasers are applications of physics in medicine. State one other application.
Date posted:
September 11, 2019
.
Answers (1)
-
The figure below shows a section of a micrometer screw gauge used by a student to measure the diameter of a wire. Determine the cross-sectional...
(Solved)
The figure below shows a section of a micrometer screw gauge used by a student to measure the diameter of a wire. Determine the cross-sectional area of the wire.

Date posted:
September 11, 2019
.
Answers (1)
-
In transmitting power why is it necessary to step up before transmission?. Explain.
(Solved)
In transmitting power why is it necessary to step up before transmission?. Explain.
Date posted:
September 11, 2019
.
Answers (1)