(a) 2V
(b) 1.6V
johnmulu answered the question on May 26, 2017 at 07:18
-
Figure 14 shows a circuit in which a battery, a switch, a bulb, a resistor P, a variable resistor
(Solved)
Figure 14 shows a circuit in which a battery, a switch, a bulb, a resistor P, a variable resistor C a voltmeter V and two ammeters A and A of negligible resistance are connected. P has resistance of 10 ohms. When the switch is closed a reads 1.5 V.

Determine;
(i) The current passing through P;
(ii) The resistance of the bulb.
Date posted:
May 23, 2017
.
Answers (1)
-
Figure 3 shows four identical light bulbs connected to a volt battery whose internal resistance is negligible.
(Solved)
Figure 3 shows four identical light bulbs connected to a volt battery whose internal resistance is negligible.

Determine the reading of the voltmeter V.
Date posted:
May 23, 2017
.
Answers (1)
-
Figure 8, shows a shows a graph of potential difference V (volts) against a current I (amperes) for a certain device.
(Solved)
Figure 8, shows a shows a graph of potential difference V (volts) against a current I (amperes) for a certain device.

From the graph:
(i) State with a reason whether or not the device obeys ohms law.
(ii) Determine the resistance of the device at;
(I) I = 1.5 A
(II) I = 3.5 A
Date posted:
May 23, 2017
.
Answers (1)
-
Figure 13, shows a cell in series with a 3 ohms resistor and a switch. A high resistance voltmeter is connected across the cell.
(Solved)
Figure 13, shows a cell in series with a 3 ohms resistor and a switch. A high resistance voltmeter is connected across the cell.

The voltmeter reads 1.5 V with the switch open and 1.2 V with the switch closed
(i) State the electromotive force of the cell.
(ii) Determine the current through the 3 ohm resistor when the switch is closed.
(iii) Determine the internal resistance of the cell
Date posted:
May 23, 2017
.
Answers (1)
-
Figure 9 shows the graph of the relationship between current I and potential difference V for two tungsten filament lamps X and Y. The normal working voltages for the lamp X and lamp Y are 2.5 V and 3.0 V respectively.
(Solved)
Figure 9 shows the graph of the relationship between current I and potential difference V for two tungsten filament lamps X and Y. The normal working voltages for the lamp X and lamp Y are 2.5 V and 3.0 V respectively.

(a) Explain the change in the shape of the curves as the current increases.
(b) Determine the resistance of the lamps X at the normal working voltage.
(c) The lamps are now connected in a series circuit in which a current of 0.4 A flows. Find the potential differences across lamp Y.
Date posted:
May 23, 2017
.
Answers (1)
-
Figure 3 shows part of an electrical circuit. The current through the 18 ohms resistor is observed to be 2A.
(Solved)
Figure 3 shows part of an electrical circuit. The current through the 18 ohms resistor is observed to be 2A.

State the value of the circuit through each of the 10 ohm resistors.
Date posted:
May 23, 2017
.
Answers (1)
-
In figure 11 the voltmeter reads 2.1 V when the switch is open. When the switch is closed, the voltmeter reads 1.8 V and the ammeter reads 0.1 A.
(Solved)
In figure 11 the voltmeter reads 2.1 V when the switch is open. When the switch is closed, the voltmeter reads 1.8 V and the ammeter reads 0.1 A.
()
Determine:
(i) The e.m.f of the cell.
(ii) The internal resistance of the cell.
(iii) The resistance of the lamp.
Date posted:
May 23, 2017
.
Answers (1)
-
Figure 6 shows a circuit in which a battery of negligible internal resistance, two resistors a capacitor, a voltmeter and a switch are connected.
(Solved)
Figure 6 shows a circuit in which a battery of negligible internal resistance, two resistors a capacitor, a voltmeter and a switch are connected.

Giving a reason for your answer in each case, state the reading of the voltammeter, V, when the switch is (i) Open (ii) Closed
Date posted:
May 23, 2017
.
Answers (1)
-
The cell in Figure 10 has an e.m.f of 2.1 V and negligible internal resistance.
(Solved)
The cell in Figure 10 has an e.m.f of 2.1 V and negligible internal resistance.

Determine the
(i) Total resistance in the circuit
(ii) Current in the circuit
(iii) Reading of the voltmeter
Date posted:
May 23, 2017
.
Answers (1)
-
When the device,X is connected in the circuit below, the voltage across it is 0.70 V.
(Solved)
When the device,X is connected in the circuit below, the voltage across it is 0.70 V.

Calculate the value of the resistance R.
Date posted:
May 23, 2017
.
Answers (1)
-
The graph in Figure 9 shows the current-voltage characteristics of a certain device, X
(Solved)
The graph in Figure 9 shows the current-voltage characteristics of a certain device, X

(i) State with a reason whether the device obeys Ohm's law
(ii) Determine the resistance of the device, X when the current through it is 60 mA
Date posted:
May 23, 2017
.
Answers (1)
-
The graph below shows the voltage-current relationship for a certain conductor.
(Solved)
The graph below shows the voltage-current relationship for a certain conductor.

Determine the resistance of the conductor.
Date posted:
May 23, 2017
.
Answers (1)
-
Figure 4 shows an electrical circuit. When the switch is closed the ammeter reading is 0.3 A.
(Solved)
Figure 4 shows an electrical circuit. When the switch is closed the ammeter reading is 0.3 A.

Determine the voltmeter reading.
Date posted:
May 23, 2017
.
Answers (1)
-
The ammeter in the circuit in Figure 11 has negligible resistance. When the switch S is closed, the ammeter reads 0.10 A. Determine the internal resistance of the battery.
(Solved)
The ammeter in the circuit in Figure 11 has negligible resistance. When the switch S is closed, the ammeter reads 0.10 A. Determine the internal resistance of the battery.

Date posted:
May 23, 2017
.
Answers (1)
-
The internal resistance of the cell, E in Fig. 3 is 0.5 ohms.
(Solved)
The internal resistance of the cell, E in Fig. 3 is 0.5 ohms.

Determine the ammeter reading when the switch, S is closed.
Date posted:
May 23, 2017
.
Answers (1)
-
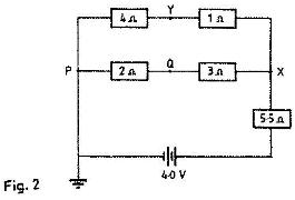
The diagram in Fig. 2 represent an electric circuit in which five resistors are connected to be a battery of e.m.f. 4.0 V and of negligible internal resistance.
(Solved)
The diagram in Fig. 2 represent an electric circuit in which five resistors are connected to be a battery of e.m.f. 4.0 V and of negligible internal resistance.

Determine:
(i) The current flowing through the 5.5 resistor
(ii) The potential difference between Y and Q.
Date posted:
May 23, 2017
.
Answers (1)
-
A thermistor, TH, is connected in parallel with a bulb as shown in Fig. 3.
(Solved)

The bulb is lit. When the thermistor is steadily heated the brightness of the bulb reduces. Explain observation.
Date posted:
May 23, 2017
.
Answers (1)
-
Figure 10 shows a trolley of weight 20 N pulled by a force of 4 N from the bottom to the top of an inclined plane at a uniform speed.
(Solved)
Figure 10 shows a trolley of weight 20 N pulled by a force of 4 N from the bottom to the top of an inclined plane at a uniform speed.

(i) State the value of the force acting downwards along the inclined plane.
(ii) Explain how the value in part (a)(i) is obtained.
Date posted:
May 16, 2017
.
Answers (1)
-
Figure 10 shows a pulley system used to raise a load by applying an effort of 500 N
(Solved)
Figure 10 shows a pulley system used to raise a load by applying an effort of 500 N

State the:
(i) Velocity ratio of the system.
(ii) Purpose of pulley 2.
(iii) Given that the machine has an efficiency of 80%, determine the maximum load that can be raised.
Date posted:
May 16, 2017
.
Answers (1)
-
Figure 16 shows a screw jack whose screw has a pitch of 1 mm, and has a handle of 25 cm long.
(Solved)
Figure 16 shows a screw jack whose screw has a pitch of 1 mm, and has a handle of 25 cm long.

Determine the velocity ratio of the jack.
Date posted:
May 16, 2017
.
Answers (1)