-
Why do you think we experience more discomfort in hot humid weather than we do in hot dry weather.
Date posted:
October 30, 2019
-
In demagnetization by electrical method:
i) State the type of current used.
ii) Explain your answer in (i) above.
Date posted:
October 30, 2019
-
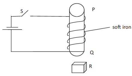
The figure below shows a method of magnetization used in making magnets.
i)Name the method.
ii) Identify the polarities A and B of the magnet produced.
iii) Apart from this method, state any other method used in magnetization.
Date posted:
October 30, 2019
-
A surface whose work function is 2.46eV is illuminated by light of frequency 3.0×1015Hz. Calculate the maximum kinetic energy of the ejected photoelectrons.
Date posted:
October 30, 2019
-
The figure below shows the essential components of an x-ray tube
a)Name the parts labelled A and B.
b)Explain how electrons are produced.
c)During the operation of the tube, the target becomes very hot.
i)Explain how this heat is caused.
ii)State any two ways in which cooling can be achieved.
d)Explain why:
i)The tube is evacuated.
ii)The cathode is concave shaped.
Date posted:
October 30, 2019
-
A transformer uses 240V a.c supply to deliver 9.0A at 80V to a heating coil. If 10% of the energy taken from the supply is lost in the transformer itself, determine the current in the primary winding.
Date posted:
October 30, 2019
-
A fishing boat uses ultrasound of frequency 6.0×104Hz to detect fish directly below. Two echoes of the ultrasound are received, one after 0.09 seconds coming from the shoal of fish and the other after 0.12 seconds coming from the sea bed. The sea bed is 84m below the ultrasound transceiver.
i) State two reasons why ultrasound is preferred.
ii) Calculate the speed of the ultrasound waves in water.
Date posted:
October 30, 2019
-
The diagram below shows a set up that was used to demonstrate that, sound is a mechanical wave.
i) State the function of the vacuum pump.
ii) When the switch is closed, state and explain what happens as the air is continuously drawn from the bell jar.
iii)State two possible reasons why it is not possible to reduce the sound completely in this experiment.
Date posted:
October 30, 2019
-
A lens forms an image that is four times the size of the object on the screen. The distance between the object and the screen is 120cm.
i)State the type of lens used.
ii)Calculate the focal length of the lens.
Date posted:
October 30, 2019
-
Diffraction is not a common phenomenon in light. Explain why.
Date posted:
October 30, 2019
-
With the help of a diagram(s) show the difference between half-wave rectification and full-wave rectification output.
Date posted:
October 30, 2019
-
The activity of a radioactive source is initially 450 counts per second. After 72 hours, it reduces to 100 counts per second. If the background count per second is 50, determine the half-life of the substance.
Date posted:
October 30, 2019
-
A gas container of volume 1.5×10-5m3 contains an ideal gas at a temperature of 270C and pressure 1.0×105 pa. Determine the volume of the gas when cooled to 170C and its pressure raised to 1.5×105 pa.
Date posted:
October 30, 2019
-
In an experiment to determine the specific latent heat of vaporization of water, steam at 1000C was passed into water contained in a well lagged copper calorimeter. The following measurements were made:
- Mass of calorimeter = 55g
- Initial mass of water = 75g
-Final mass of calorimeter + water + condensed steam = 133g
- Final temperature of the mixture = 300C.
Specific heat capacity of water = 4200J/Kg/K.
Specific heat capacity of copper = 390J/Kg/K.
Determine the:
i)Mass of condensed steam
ii)Heat gained by the calorimeter and water if the initial temperature of the calorimeter
+ water = 200C
iii)Given that L is the specific latent heat of vaporization of steam.
(I)Write an expression for the heat given out by steam.
(II)Determine the value of L.
Date posted:
October 30, 2019
-
Figure below shows a uniform metre rule balancing when a mass of 200g is hung at one end.
Determine the tension T in the string.
Date posted:
October 30, 2019
-
The figure below shows a measuring cylinder which contains water initially at a level A.
A spherical solid is immersed in the water and the level rises to B.
Determine the diameter of the spherical ball.
Date posted:
October 30, 2019
-
i)Why should argon gas be at low pressure in a Geiger–Muller tube?
ii)State the purpose of the bromine gas in the tube.
Date posted:
October 17, 2019
-
An object 10cm high is placed 30cm in front of a concave mirror. The image is 45cm in front of the mirror. Find its magnification and size of the image.
Date posted:
October 17, 2019
-
In an attempt to make a magnet, a student used the double stroke method as shown below.
State the polarities at the ends A and B
Date posted:
October 17, 2019
-
500g of water at 200C is mixed with 200g of water at 550C. Find the final temperature of the mixture.
Date posted:
October 17, 2019
-
A car moving initially at 10m/s decelerates at 2.5m/s2
Determine:
i)I) Its velocity after 1.5seconds.
II)The distance travelled in 1.5 seconds.
III)The time taken for the car to stop.
ii)Sketch the velocity – time graph for the motion of the car up to the time the car stopped.
iii)From the graph determine the distance the car travelled before stopping.
Date posted:
October 17, 2019
-
The diagram below shows a six’s maximum/ minimum thermometer.
)What is the thermometric liquid in this thermometer?
b)Why is it necessary for the vapour in bulb B to be saturated?
c)Explain how the thermometer indicates maximum and minimum temperature.
d)Indicate on the diagram the two points where the reading of the temperature shown by the
thermometer can be made.
Date posted:
October 17, 2019
-
Use the figure below to answer the questions that follow
i)What pressure is acting on point A?
ii)What is the value of pressure difference in the instrument reading?
iii)If the atmospheric pressure is 760mm of mercury, what is the value of gas pressure?
Date posted:
October 17, 2019
-
The figure below shows an incompressible fluid moving through a tube of varied cross- sectional area. If the area of the small tube is 0.05m2, calculate the diameter of the large tube in cm.
Date posted:
October 17, 2019
-
The figure below shows two light sheets of paper arranged as shown.
Explain the observation made when air is blown at the same speed and time at points A and B.
Date posted:
October 17, 2019
-
Distinguish between streamline and turbulent flow.
Date posted:
October 17, 2019
-
A bullet of mass 20g moving with a velocity of 30m/s penetrates a sand bag and it’s brought to rest in 0.05 seconds. Find the average retarding force of the sand.
Date posted:
October 17, 2019
-
A tightly fitted bottle cork will be easier to remove if the bottle is warmed.
Explain this using kinetic and thermal property of matter.
Date posted:
October 17, 2019
-
State one way of increasing sensitivity of mercury in glass thermometer.
Date posted:
October 17, 2019
-
A mercury barometer reads 75cmHg at the base of Mt.Kenya. Assuming that the height of
the mountain is 1088m and the average density of air is 1.25kg/m3. What is the reading of the
barometer at the top of the mountain? (Take density of mercury is 13.6g/cm3.)
Date posted:
October 17, 2019