-
State any two common faults found in ceramic capacitor.
Date posted:
October 21, 2019
-
Table 3 below shows a bill of materials used to construct a stabilized dc supply.
Draw a circuit diagram of the power supply.
Date posted:
September 18, 2019
-
Draw a line diagram of a national grid system showing typical voltages at each stage.
Date posted:
September 18, 2019
-
Give three reasons why a verification of polarity test is carried out in a completed domestic installation.
Date posted:
September 18, 2019
-
List three metal parts that are exempted from earthing in a domestic installation.
Date posted:
September 18, 2019
-
Figure 5 shows an RLC circuit.
Calculate the:
i. Inductive reactance
ii. Capacitive reactance
iii. Circuit impedance
iv. Circuit current
v. Power dissipated in the circuit
Date posted:
September 18, 2019
-
Outline three assumptions made in order to consider a transformer as an ideal machine.
Date posted:
September 18, 2019
-
State three advantages of toroidal type transformer over shell type transformer.
Date posted:
September 18, 2019
-
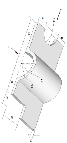
Figure 4 below shows a block drawn in isometric projection.
Figure 4
Using first angle orthographic projection, draw the following views full size
a) Front elevation in the direction of arrow F
b) End elevation in the direction of arrow E
c) Plan
Date posted:
September 18, 2019
-
Name the logic gate shown in figure 3 below.
Figure 3
Name.............
Date posted:
September 18, 2019
-
Figure 2 shows a resistor network.
Figure 2
Find value of current I
Date posted:
September 18, 2019
-
State two factors that determine inductance of a coil.
Date posted:
September 18, 2019
-
Name two types of inductor cores.
Date posted:
September 18, 2019
-
Describe three characteristics of magnetic lines of force.
Date posted:
September 18, 2019
-
List four layout tools used in metal fabrication.
Date posted:
September 18, 2019
-
Name the materials used to make the following parts of ac machine in Table 1 and in each case state one reason why the material is used.
b) State three factors to consider when choosing motor for a particular installation.
Date posted:
September 18, 2019
-
Sketch and label the schematic diagram of a dc shunt motor connected to a supply.
Date posted:
September 18, 2019
-
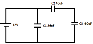
Three capacitors are connected as shown in Figure 1.
Figure 1
Calculate:
i. The equivalent capacitance
ii. Charge stored in the 26μF capacitor
Date posted:
September 18, 2019
-
After installing new cells in a 2 cell torch it failed to light when switched on. State two possible causes for the failure.
Date posted:
September 18, 2019
-
State two reasons why the rotating field alternator is preferred to the rotating armature type.
Date posted:
September 18, 2019
-
a)The range of a moving iron instrument of resistance 8 ohms is extended by using a shunt resistor of 0.04 ohm. If the full scale deflection current is 10mA, determine the maximum current that the modified instrument can measure.
b) State two advantages and two disadvantages of the moving iron instrument over moving coil instrument
Date posted:
September 18, 2019
-
State the role of Directorate of Industrial Training.
Date posted:
September 18, 2019
-
List two safety precautions taken while drilling through a piece of sheet metal.
Date posted:
September 18, 2019
-
State the most immediate action to be taken when rescuing a worker found unconscious and still in contact with a live wire.
Date posted:
September 18, 2019